Description
Assembled and tested module with manual.
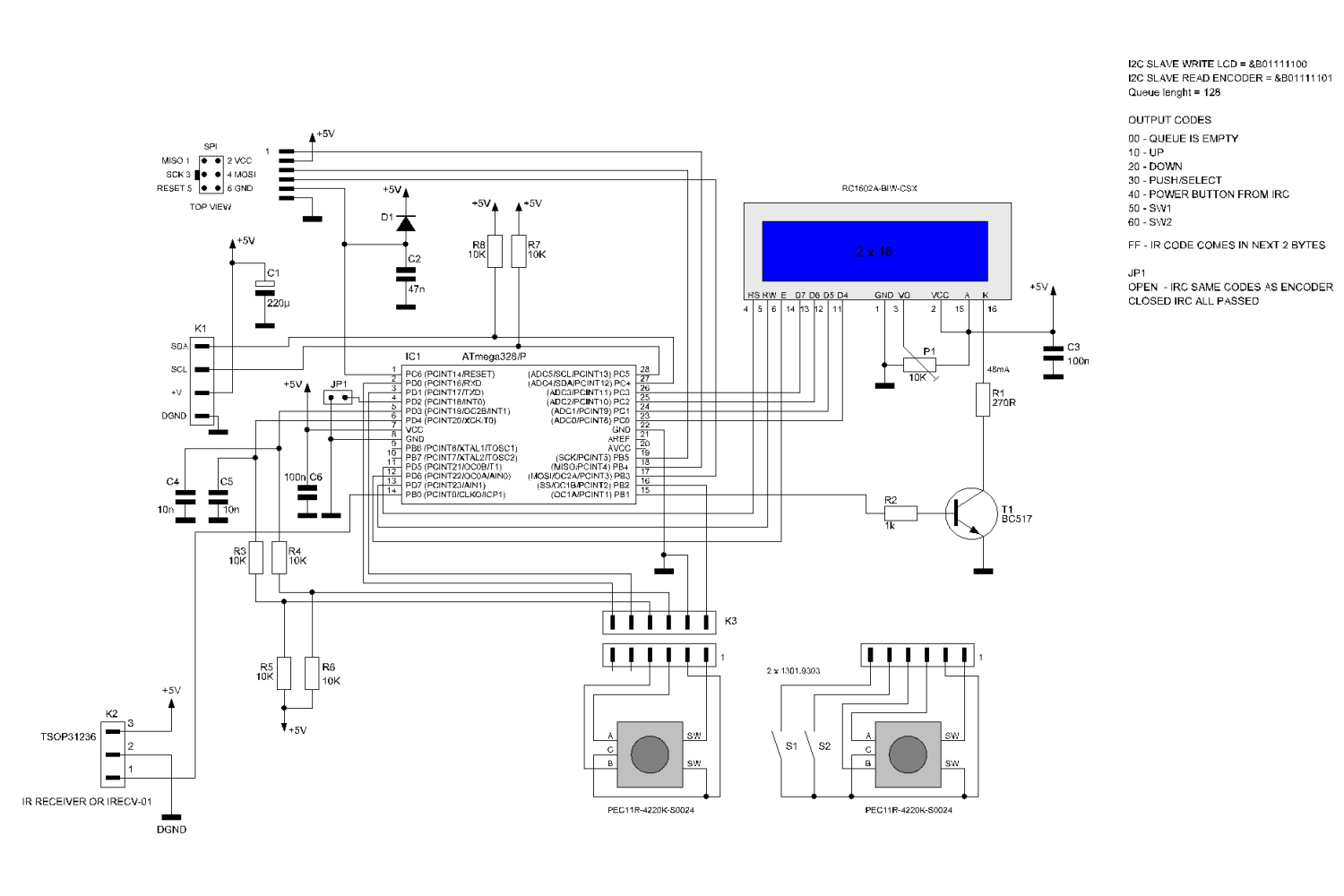
Text LCD with rotary encoder and IR interface controlled by I2C.
2 line LCD display with 16 characters per line.
Blue LCD backlight with white characters.
I2C controlled by CPU with 4pole connector for supply voltage and data.
All gold-plated headers.
Firmware feauteres.
128 byte read queue holds encoder, buttons and IR data to read by remote microcontroller via I2C.
Display ON/OFF function by I2C.
PWM controlled LCD backlight, 10% to 100% set b I2C.
Response codes encoder, buttons en IR default or programmed by I2V.
IR interface set to forward all received or emulating encoder and buttons codes.
Dimensions : 94 x 37 mm.
Encoder boards ENCODER-A, ENCODER-B and IR boards IRECV-01A, IRECV-01B and Molex cables are sold separately.





Reviews
There are no reviews yet.